Hörmann Verdrahtungs-Fehler bei Steuerungen 545 und 560
Hörmann Verdrahtungs-Fehler bei Steuerungen 545 und 560
Preview: Hörmann Verdrahtungs-Fehler bei Steuerungen 545 und 560
Preview: Hörmann Verdrahtungs-Fehler bei Steuerungen 545 und 560
Hörmann Verdrahtungs-Fehler bei Steuerungen 545 und 560
Mobile Preview: Hörmann Verdrahtungs-Fehler bei Steuerungen 545 und 560
Mobile Preview: Hörmann Verdrahtungs-Fehler bei Steuerungen 545 und 560

Hörmann Verdrahtungs-Fehler bei Steuerungen 545 und 560

Art.Nr.:
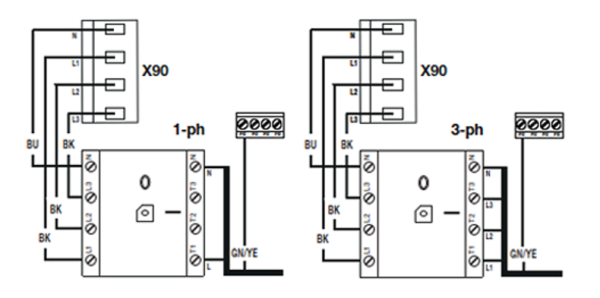
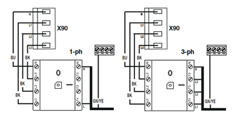
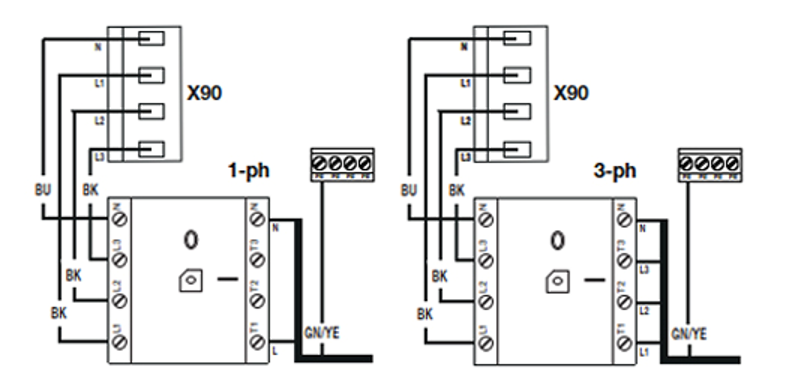
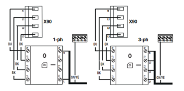
Verdrahtungs-Fehler bei Steuerungen 545 und 560
Lieferzeit:
Nicht mehr lieferbar (Ausland abweichend)
0,00 EUR

inkl. 19% MwSt. zzgl. Versand